***、探测器的选型
对于此类分光光度计在探测器的选择重要考虑的问题:
1. 由于后分光式分光光度计可同时提供多个波长,采用面阵CCD、光电二极管阵列等平面光电探测器可同时对几个波长进行测试,测试速度快。
2. 由于波长为340 nm 的单色光信号较弱,除了在光路中使用必要的紫外光学元件和光路优化外,对阵列探测器在紫外的灵敏度和噪声等指标也有非常高的要求.紫外增强硅探测器在性价比方面有非常重要的优势.
A5V-35UV是全球***的探测器生产厂***OSI公司生产的35通道紫外增强硅探测器, 非常适合应用于此类分光光度计. 先锋科技股份有限公司作为OSI在***内此领域的独***代理商,为***内客户提供适用于生化分析仪的*佳探测器。

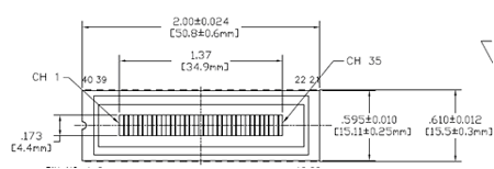
图2 A5V-35UV封装尺寸图
A5V-35UV以双列直插共40 pin DIP封装,其中有35个二极管探测器,因此也就有35个信号输出引脚,还包括2个地引脚以及3个空脚。每个二极管探测器宽为0.9 mm ,高为4.4mm ,相邻探测器间隙为0.1mm, 探测器间距为1mm。其封装尺寸与市面上的主流品牌完全兼容.
A5V-35UV在340nm处的响应度可达到0.15A/W ,在400nm左右更可达到0.27A/W,比其它品牌好,这对于提高信噪比和后续的信号处理分析有非常重要的意义.如下是几种探测器的响应度比较.

图2 几种35通道紫外增强硅探测器响应度比较
据业界多***公司测试,A5V-35UV系列探测器在全自动生化分析仪用分光光度计的应用中,紫外灵敏度有非常显著的性能优势.
二: 分光光度计的波长校准方法
作为标定光源,输出单色光的波长准确性将直接决定多光谱仪的准确性,所以对标定光源的波长准确性和重复性要求很高;由于生化分析仪中需要测试的波长随不同样品而不同,所以很难找到满足所有波长的特征线光源,目前通常用可调单色光源作为标定光源.
可调单色光源通常有手动可调单色光源和电动控制可调单色光源。手动可调单色光源通常用的是正弦式驱动的光谱仪,但是由于长期使用会导致磨损,重复性下降,所以输出波长就会产生偏移,而且手动调节速度较慢,效率较低,没有办法满足生产要求.
卓立汉光的TLS系列光源是电动控制可调单色光源,采用涡轮涡杆结构,每***套光谱仪都采用单独配对研磨的涡轮涡杆,而且通过内置控制模块消除机械回程差,从而有效保证可调单色光源的重复性.
该光源提供Omni-OCX二次开发控件,波长控制采用上位扫描控制,方便全自动化工装的整合,可以与分光模块的探测器数据采集模块实现联合控制,做成全自动标定工装,大大提供生产效率.

TLS可调单色光源输出单色光光谱图

可调单色光源输出单色光重复性测试(550nm,重复调节5次的光谱测试图)