XLCS-6000旋流沉砂池除砂器
价 格:询价
产 地:更新时间:2021-07-01 10:22
品 牌:其他型 号:XLCS-6000
状 态:正常点击量:2739
400-006-7520
联系我时,请说明是在上海非利加实业有限公司上看到的,谢谢!
联 系 人:
上海非利加实业有限公司
电 话:
400-006-7520
传 真:
400-006-7520
配送方式:
上海自提或三方快递
联系我时请说在上海非利加实业有限公司上看到的,谢谢!
XLCS-6000旋流沉砂池除砂器
特点:
1、占地面积小;
2、沉积效果受水量变化影响很小,砂水分离效果好,分离出的砂子含水率低,有机物含量少,便于运输;
3、操作方便,维护简单,寿命长;
4、鼓风机采用***外技术,噪音低;对周围环境影响小,卫生条件好。
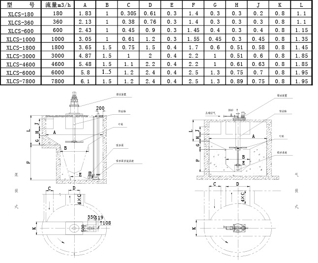
产品参数
XLCS-6000旋流沉砂池除砂器
型号表示方式:

技术参数及外形尺寸:

产品介绍
XLCS-6000旋流沉砂池除砂器
工作原理:
旋流沉砂池不锈钢除砂机1800由叶轮、传动轴、电机、减速器和吸砂系统组成。由于叶轮桨板向上倾斜,旋转时使池中污水作螺旋运动,加上因污水切向进入,产生与叶轮旋向*的旋流,池中的污水形成涡螺流态。在适当的叶桨倾角和线速度条件下,污水中的砂粒将受到冲刷并仍保持佳的沉降效果,而原来附着在砂粒上的有机物以及重度小的物质将随污水***同流出旋流池。另外,由于叶轮旋转,减少了旋流池因进水量变化导致流态变化的敏感程度,保证了沉砂池稳定、出砂的有机成分含量低等特点。