来宝网Logo

热门词: 进口电动温度调节阀结构图|进口电动温度调节阀数据表进口电动高温调节阀-德国进口电动高温法兰调节阀进口电动蒸汽调节阀-德国进口电动蒸汽调节阀

4-20ma采集模块模拟量输入数据采集模块资料下载

价  格:询价

产  地:广东 深圳市更新时间:2025-02-21 12:24

品  牌:其他型  号:

状  态:正常点击量:1586

400-006-7520
联系我时,请说明是在上海非利加实业有限公司上看到的,谢谢!

上海非利加实业有限公司

联 系 人: 上海非利加实业有限公司

电   话: 400-006-7520

传   真: 400-006-7520

配送方式: 上海自提或三方快递

联系我时请说在上海非利加实业有限公司上看到的,谢谢!




产品参数


产品介绍

 4-20ma采集模块模拟量输入数字采集模块资料下载
提供C#,西门子PLC,三菱PLC,欧姆龙PLC,台达PLC,威纶通触摸屏通信实例demo。并提供模块调试助手

Modbus协议:

Modbus协议是 种广泛应用于当今工业控制领域的通用通信协议。通过此协议,控制器相互之间、或控制器经由网络可以和其它设备之间进行通信。

DAM-7082是工业 模拟量输入数据采集模块,可采集8路差分信号;模块采用高性能16位AD芯片,测量精度±0.1%。模块具有低温飘,线性度高, 致性好;使用方便等特点;适用于采集工业现场的各种电压/电流信号,为现场数据采集提供 种稳定且低成本的采集产品。

DAM-7082是全新 代基于嵌入式系统工业 模拟量输入模块,DAM-7082可以采集8路差分信号;模块采用美***ADI高性能16位AD芯片,采集测量精度±0.1%。模块配置有隔离的RS232/RS485接口,方便与PC或PLC通信;可单独与PC或PLC通信,也可以与多个485模块组网使用。

DAM-7082采用 进高效的光电+磁隔离技术,电源、通讯、信号输入三端隔离,有效保障数据采集的速度、可靠及安全。

产品特性:

◆ARM嵌入式实时操作系统

◆模拟输入通道: 8路差分

◆输入输出保护/电源反接保护

◆模拟输入信号范围:

±20mA,

±100mV,

 

±1V,

±2.5V,

±5V,

±10V

◆AD转换分辨率: 16位

◆测量精度:±0.1%(典型值)

◆转换速率:40次/秒(全通道)用户可调

◆宽供电范围:DC 9~30V(24V@20mA)

◆串口/隔离的RS485和RS232

◆地址/波特率可由用户配置

◆支持Modbus RTU及自定义ASCII协议

◆支持主动发送数据功能

◆看门狗保护/永不死机

◆三端隔离耐压:电源/通信/模拟输入之间≥1500V AC

◆工作温度范围:-40℃~80℃

◆工业 ABS阻燃外壳,标准DIN35导轨

                       功能配置◆

模块型号

7021

7041

7082

7082P

AD(16bit)

2路

4路

8路

8路

配电输出

RS232

支持

支持

支持

支持

支持支持

RS485

支持

支持

 


模块工作原理图:

 输入输出隔离

产品针对工业应用设计:通过DC-DC变换,实现测量电路和主控电路电源隔离;同时控制单元与通讯单元采用光电隔离技术实现电气隔离,达到电源、通讯、采集三端隔离的目的;有效保障数据采集可靠及安全。

 通信隔离

产品采用RS485/RS232隔离电路,将通信与系统单独隔离开,消除通信设备之间共模干扰。

 浪涌保护

模块配有瞬态抑制电路,能有效抑制各种浪涌脉冲,保护模块在恶劣的环境下可靠工作。

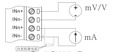
 模拟量输入接线

7082.2

模拟量输入接线示意图

DAM-7082模拟输入为差分输入,每个模拟输入通道都有两个接线端口,分别为模拟输入正(INn+)与模拟输入负(INn-)。

 Custom-ASCII数据格式

使用Custom-ASCII命令读取模块数据时模块直接以ASCII码返回转换结果,其单位为量程单位,如:量程是0~20mA,那么返回数据的单位为mA,下面以列表举例说明:

 

序号

返回数据

通道量程

数据代表采样值

1

+10.000

0~20mA

模拟输入通道输入电流值为+10.000mA

2

+010.00

0~100mV

模拟输入通道输入电压值为+10.00mV

3

+1.5000

0~5V

模拟输入通道输入电压值为+1.5000V

4

+01.500

0~10V

模拟输入通道输入电压值为+1.500V

 通信接口

DMA-7082配置有1路RS232与1路RS485,RS232可以直接与电脑连接,RS485可以单个与PLC或其它主机连接,也可以多个模块组网后与PLC或其它主机连接

 RS232连接

DAM-7082模块RS232接口为标准RS232接口,符合相关规范,如图所示,串口的2脚连接DAM模块的TX,串口的3脚连接DAM模块的RX,串口的5脚连接DAM模块的232GND

7082.3

DAM模块与PC机连接示意图(需要修改)

 RS485连接

DAM系列模块支持标准RS485接口(具体标准参见RS485规范)

模块通信模式通常为主从模式( 问 答模式);主机通过通信接口发送命令给模块,模块在接收到正确命令之后做出相应响应。

模块也可以通过命令将模块设置为模块主动模式(模块主动发送数据给主机),时间间隔可由用户设置,主动发送数据时间范围为:100~999999mS此模式不能应用于多模块组网工作,否则将引起总线冲突

 通信地址

模块通信地址范围为01~FF(1~255),模块地址出厂设置为01;模块通信地址可以由用户根据现场需要通过命令修改,具体方法参见相应命令。

 通信速率

模块RS232/RS485支持波特率:1200bps、2400bps、4800bps、9600bps、19200bps、38400bps、57600bps、115200bps;模块出厂默认波特率为9600bps,模块通信速率可以由用户根据现场需要通过命令修改,具体方法参见配置说明

 通信协议

DAM模块支持Custom-ASCII协议(自定义的ASCII协议),用户可以通过简单的ASCII命令方便的读取测量数据和配置模块参数,比如配置地址(001~0FF)、波特率。

 Modbus RTU协议

模块支持工业标准Modbus RTU协议,可以工作于Modbus从站状态。可以实现与多种品牌的PLC、触摸屏、工控机及PC进行通信。

选型表:
选型表

售后保障:

本产品自售出之日起提供两年质保,7x24小时技术服务,凡用户在遵守贮存、运输及使用要求的条件下产品损坏,或产品质量低于技术指标的,免费返厂维修。因违反操作规定和要求而造成产品损坏的,需交纳器件费用和维修费。


相关产品分类


关于我们客户服务产品分类法律声明