超声波液位计
价 格:询价
产 地:河北更新时间:2025-02-14 10:46
品 牌:其他型 号:
状 态:正常点击量:1708
400-006-7520
联系我时,请说明是在上海非利加实业有限公司上看到的,谢谢!
联 系 人:
上海非利加实业有限公司
电 话:
400-006-7520
传 真:
400-006-7520
配送方式:
上海自提或三方快递
联系我时请说在上海非利加实业有限公司上看到的,谢谢!
产品介绍
、产品概述
GKYWG-60C超声波液位计是由微处理器控制的数字液位仪表,安装于被测容器上部,利用超声波发射接收的原理,可以准确测量容器内多种介质(毒性、腐蚀性、易发挥、易泄露等)的液位。液位计结构简单,安装维护方便,可广泛应用于石油,化工,食品,水处理等行业。
超声波液位计(超声波液位仪)分类:
经济型超声波液位计
高精度型超声波液位计
高压型超声波液位计
(4-20MA信号)超声波液位计
总线485型超声波液位计
可选供电型超声波液位计
双供电型超声波液位计
二、工作原理
超声波液位计由三部分组成:超声波换能器、处理单元、输出单元。工作时,换能器发出超声波脉冲,脉冲经液体表面反射后被换能器接收,从超声波发射到被重新接收的时间与其距离成正比。微处理器检测该时间,根据声速计算出换能器到液面的距离。通过减法运算即得出液位值。变送器模电转换电路输出4~20mA信号或RS485 MODBUS信号。
三、产品特点
○自动功率调整、增益控制、温度补偿
○无维护工作量
○36通道高频处理器
○可用于有毒、腐蚀、易燃易爆等危险场所
○安全、美观、防护等 高
○测量稳定性高
四、主要技术参数
○测量范围:5m、10m、15m、20m
○测量精度:±0.3%FS*(标准条件*)
○温度范围:-20℃~90℃
○ 大压力:1.5MPa
○防爆认证:ExdⅡCT4,ExiaⅡCT4
○防护等 :IP67
○供电:24VDC 220VAC
○线制:两线制、四线制
○输出信号:4~20mA RS485
○固定方式:定做法兰
○接液材质:304、316、316L、PVC等
○现场显示:是
五、安装连接
超声波液位计在安装时必须考虑盲区问题。当液位进入盲区后,超声波变送器就无法测量液位了,所以在确定超声波液位计的量程时,必须留出50公分的余量,安装时,变送器探头必须高出 高液位50公分左右。这样才能保证对液位的准确监测及保证超声波液位计的安全。

如上图所示,仪表的探头发波打到液位后反射回探头,探头接收到后计算发波到收波的时间,得到测量距离L,仪表安装高度TH减去测量距离L将得到当前液位H。
仪表量程指仪表能够测量的距离,安装高度TH应小于量程。
超声波液位计盲区指仪表在探头附近无法测量的区域,高液位与探头间距应大于盲区,例盲区为0.3m,则高液位与探头间距必须大于0.3m。
探头发波是个扩散过程,即有方向角,安装的时候要注意,否则可能打到池壁的凸起物或渠道边沿。
注:使用超声波物位计时,务必保证高料位不能进入测量盲区。
超声波液位计有三种安装方式:
螺母安装

法兰安装

支架安装


安装孔(延伸管)要求
安装孔的直径、长度应符合仪表的要求。
若液位/物位能进入仪表的盲区,则需安装延伸管抬高探头的安装高度。延升管的直径、长度应符合仪表的要求。
要求如右图所示。
请根据实际情况,确定Lmax,和Dmin的尺寸。
注意:
1.延伸管的内壁需光滑(无焊接缝合和对接缝)。
2.延伸管的下管口须光滑,无毛边,有45度倒角 佳。

波导管

若现场存在强烈的回波干扰(如在狭窄竖井、无法规避的台阶、搅拌叶片等)或液面存在大量泡沫,推荐使用直径大于100mm的PE或PVC管作为超声波的波导管。
注意:
顶部有通气孔,确保管内、管外液位 致。
波导管内壁须光滑(无焊接缝和对接缝)。
波导管管口要光滑,有45度的倒角 为理想。
固定波导管,应考虑减振措施,防止管内存在声波干扰。
为了确保波导管内壁没有挂料,有必要定期清理/检查波导管。
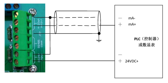
六、电气连接


四线制