1、简介:
XL-K 航空障碍灯控制器内部控制电路中带有防浪涌保护装置,抗冲击能力强能适用于恶劣的工作环境;控制器外置光控探头,在晚、黄昏/黎明、白天三种状态自动控制灯具同步闪光与光强等 。
控制器可控制 200 盏灯具同步工作。
2、技术规格:
FAA 分类L856/857
闪光频率定制
型号XL-K
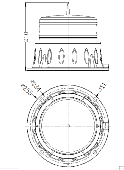
外形尺寸400mm×300mm×150mm
电源AC220V(±10%)
防护等 IP65
电源频率50HZ~60HZ
环境温度-40℃~70℃
功耗5W
重量4.5kg
负载4KW
抗风能力80 米/秒
控制能力≤200 台
光控探头高端铝合金探头
3、功能及特点:
●可控制配套的高光强、中光强、低光强系列灯具。

●工作稳定,抗干扰能力强,抗震动。
●根据环境亮度可实现光强的自动转换。
●可调式安装孔设计,便于用户安装。
●具有防浪涌保护装置。
●外接光控感应探头功能。
4、产品尺寸图


5、使用注意事项
●严禁使用额定电压以外的交流或直流电源;
●电源线和監控线必须按照颜色连接正确后才可通电,否则将造成灯具损坏;
●控制器输出端口请勿短路,以免损坏控制器;
●负载功率不能超过使用说明书规定范围,否则将造成保险丝烧断或控制模块损坏;
●安装人员在操作完成后必须将控制器安全锁关闭,否则将造成控制器内部进水或人身安全受到影响;
●非专业人员请勿对控制器进行维修,避免将故障扩大和造成人生伤害;
6、用途:
大楼、机场、烟囱、桥梁、铁塔、电力铁塔、通讯塔、超高建筑。