CMC-HX系列电机软起动器

CMC-HX软起动器 种新型智能化的异步电动机起动、保护装置。它是集起动、显示、保护、数据采集于 体的电机终端控制设备。用户使用较少的元件,就可实现较复杂的控制功能。而中英文界面显示又使得操作更简便。同时CMC-HX软起动器内部集成电流互感器,用户无需外配。
、作用
降低电机的起动电流,减少配电容量,避免增容投资;减小起动应力,延长电动机及相关设备的使用寿命;平稳的起动和软停车避免了传统起动设备的喘振问题、水锤效应;多种起动模式及宽范围的电流、电压等设定,可适应多种负载情况;完善可靠的保护功能,更有效地保护电机及相关设备的安全;
二、特点
☆独特的SCR触发
闭环控制算法独特的SCR闭环控制功能,专为标准负载和重型负载特殊设计。用户可根据负载情况选择限流起动和电压斜坡起动,实现 对平滑的无转矩震荡起动效果。
☆独特的负载应用
参数内置十种负载类型可供用户选择,针对于每类负载提供独特的起动控制曲线, 大程度使得软起动与负载进行匹配,以达到 佳的起动、停止效果。
☆多种起动、停车方式
电压指数曲线、电压线性曲线、电流指数曲线、电流线性曲线,并可在每种方式下施加可编程突跳起动转矩及起动电流限制。根据不同的负载,可选择相应的起动曲线,达到 佳的起动效果。多种停车方式,可编程软停车、自由停车、制动刹车、泵停。独特的基础算法使得电机起动、停止更加准确、平滑。
☆ 进的通讯功能
标配Modbus RTU通讯。选配以太网/GPRS通讯模块,方便用户网络连接控制,提高系统的自动化水平及可靠性。
☆模拟信号控制
用户可输入4—20mA或0—20mA标准信号,并可进行模拟量的上、下限设定,实现对电机起、停控制及报警。还可通过软起动器进行数据(压力、温度、流量等)的传输。具有4—20mA或0—20mA标准模拟信号输出功能。
☆全耐火材料
90KW以下为全塑壳结构,采用阻燃ABS材料加工而成,90KW及以上功率段上盖为塑壳结构、主框架采用敷铝锌板材料加工而成,具有耐热、抗腐蚀特性。
☆可外引面板
可通过机身接口将面板外引至设备操作面远程操作,方便现场使用。
☆强大的抗干扰性
所有外部控制信号均采用光电隔离,并设置了不同的抗噪 别,适应在特殊的工业环境中使用。
☆双参数功能
具有两套基本参数,可分别控制两台不同功率的电机。☆电源频率自适应电源频率50/60Hz自适应功能,方便用户使用。
☆动态故障记忆
多可以记录10次故障。便于查找故障原因。
☆完善的保护功能
全程检测电流及负载参数,具有过流、过载、欠载、过热、断相、短路、三相电流不平衡、相序检测、频率错误等微机保护功能。
☆友好的人机界面
采用LCD液晶显示面板,具有中英文两种显示界面,使编程及参数调整更加方便。
三、使用条件

四、电路连接
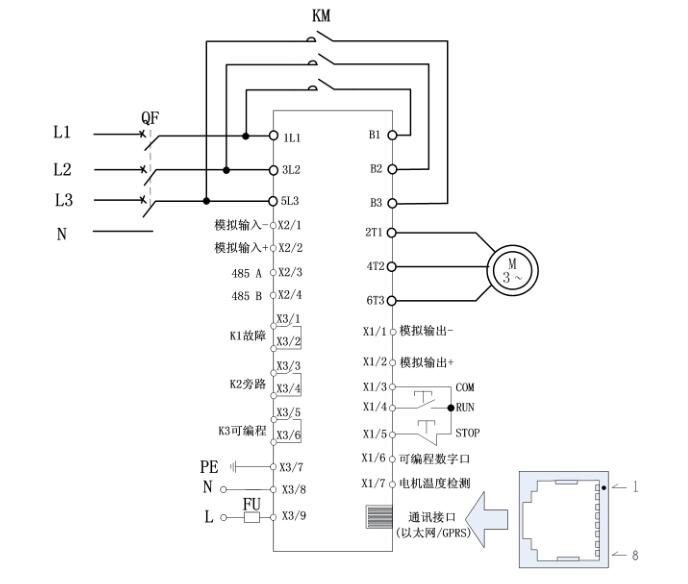
1、基本接线原理图
软起动器端子1L1、3L2、5L3接三相电源,软起动器端子2T1、4T2、6T3接电动机。软起动器可通过参数设定选择是否检测相序。当采用旁路接触器时,接触器 边接软起动器1L1、3L2、5L3,另 边接B1、B2、B3。

注:通讯接口为选配口,采用光纤水晶头的连接端子,如图所示从上到下依次是1脚到8脚。具体端子定义参考端子说明。
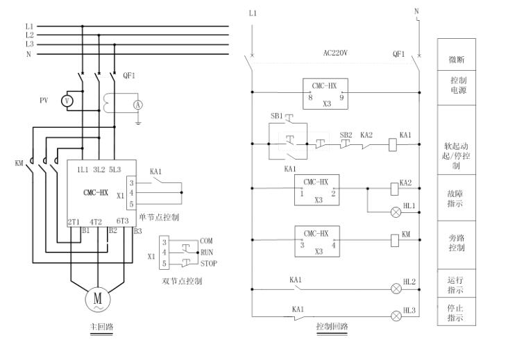
2、典型应用接线图
注意:(1)、上图所示为单节点控制方式。接点闭合软起动起动,接点打开软起动器停止。但要注意这种接线LCD面板起动操作无效。端子3、4、5起停信号是 个无源节点。
(2)、PE接地线应尽可能短,接于距软起动器 近的接地点,合适的接地点应位于安装板上紧靠软起动器处,安装板也应接地,此处接地为功能地而不是保护接地。
3、内三角接线方式使用内三角接线方式时,请严格依照下图接线

五、软起动器外形及开孔尺寸(单位mm以380V为例)



六、软起动器选型:
