CMC-LX系列电机软起动动器

、作用:
CMC-LX电机软起动器是 种将电力电子技术,微处理器和自动控制相结合的新型电机起动、保护装置。它能无阶跃地平稳起动/停止电机,避免因采用直接起动、星/三角起动、自耦降压起动等传统起动方式起动电机而引起的机械与电气冲击等问题,并能有效地降低起动电流及配电容量,避免增容投资。同时CMC-LX软起动器内部集成电流互感器,用户无需外接。
二、特点:
☆独特的SCR触发闭环控制算法
独特的SCR闭环控制功能,专为标准负载和重型负载特殊设计。用户可根据负载情况选择限流起动和电压斜坡起动,实现 对平滑的无转矩震荡起动效果。
☆控制精度高实时高效
采用高性能的Cortex-M3 32位内核CPU执行中心控制,速度快、精度高、抗干扰能力强。
☆优美的外观
专利保护的主回路三进六出结构,内置电流互感器方案,接线方便、可靠性高。
☆可配的标准MODBUS-RTU协议
用户在订货时可根据现场需要,选配带标准MODBUS-RTU通讯协议或不带。
☆集成 进的保护功能
具有输入输出缺相、过载、过流、相电流不平衡、晶闸管过温等保护功能,全方位对电机及相关设备进行保护。
☆全耐火材料
90KW以下为全塑壳结构,采用阻燃ABS材料加工而成,90KW及以上功率段上盖为塑壳结构、主框架采用敷铝锌板材料加工而成,具有耐热、抗腐蚀特性。
☆可外引面板
可通过机身接口将面板外引至设备操作面进行远程操作,方便现场使用。
☆维护简单
由4位数码显示组成的监控信号编码系统,24小时监控系统设备的工作状况,同时提供快速故障诊断。
三、使用条件:

四、电路连接
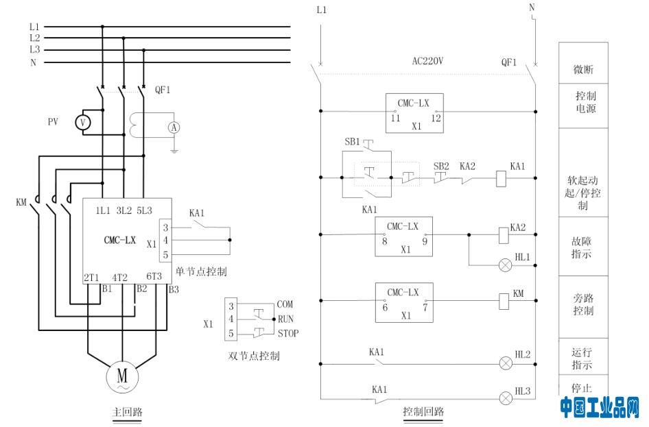
1、软起动器端子1L1、3L2、5L3接三相电源, 2T1、4T2、6T3接电动机。软起动器可通过参数设定选择是否检测相序。当采用旁路接触器时,接触器 边接软起动器1L1、3L2、5L3,另 边接B1、B2、B3。

注:通讯接口是功能选配口,采用光纤水晶头的联结端子,如图所示从上到下依次是1脚到8脚。具体端子定义请参考端子定义。
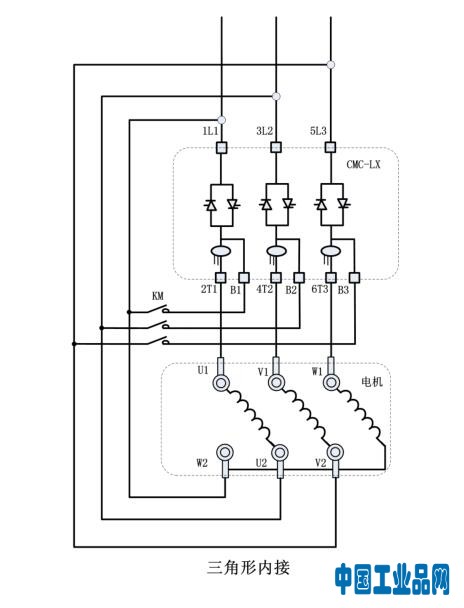
2、三角形内接连接图
若用户使用三角形内接连接时,用户必须严格按照下图进行连接,否则有可能导致电机或软起损坏。本机在启动前会对电机接线进行判断,若接线错误软起会报接线错误故障。

3、典型应用接线图

注意:
①、上图所示为单节点控制方式。接点闭合软起动起动,接点打开软起动器停止。但要注意这种接线LED面板起动操作无效。端子3、4、5起停信号是 个无源节点。
②、PE接地线应尽可能短,接于距软起动器 近的接地点,合适的接地点应位于安装板上紧靠软起动器处,安装板也应接地,此处接地为功能地而不是保护接地。
五、外形及开孔尺寸(单位:mm 以380V为例)



六、选型

注:尺寸 F005:172×320×172、F006:285×474×235、F007:320×512×235、F008:400×647×235(宽×高×厚)