瑞士FHKU系列微型流量计,938-15XX流量计,DIGMESA微型流量计
大量现货供应进口DIGMESA微型流量计FHKU,938流量计


详细介绍:广州迪川仪器仪表 020-85628522
技术参数
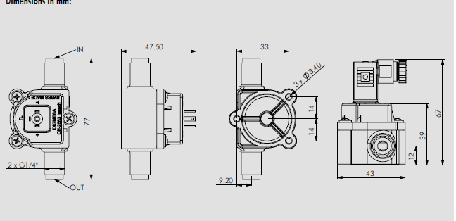
管道连接:多种连接方式供选择
通径:1.0mm至5.6mm
流量:多种流量范围供选择, 大可达30L/min.
压力:20℃时20Bar温度范围:-10℃-100℃,测量精度:小于2%,
重复测量:<+/-0.25%
驱动电压:4.5-24VDC
主要适用流体:
液体,水,非酒精饮料, 酒精饮料,红酒,化学物质 与FH系列相比,FHKU特别设计用于需要大流量计量的场合,其 大流量可达30L/min,且有多种流量范围供选择,同时,基于DIGMESA精湛的注塑技术,流量计的上/下半部分可选用不同的材质,更好的满足了用户的不同设计需求。
迪格曼莎的流量计已应用于全 各领域,测量各种液体,例如水、高黏度化学腐蚀性的介质,等等。当应用于食品工业时,其产品都通过美*********食品安全部门(NSF)的验证。公司的建立缘起于70年代初期,当时Heinz Pluss 生(Digmesa公司的创始人)想设计制造 个仪表能很简便地测量咖啡机中水量,他依靠自己就研制成功了 个仪表,并使潜在的用户信服他的设计的 进性,得到了 好的响应,终于在1983年成立了总部在瑞士Biel的迪格曼莎公司。
迪格曼莎公司是 个中等规模的瑞士公司。由于它集中精力而不旁驭,专门致力于流体流量计的研制、开发、生产,积累了三十余年的技术和经验。因此能和其他响誉 的“瑞士”产品 样,向用户提供高质量的流量计。
迪格曼莎的产品即使在长期连续工作的条件下也能保持±2%的精度和±0.25%的读数的重复性。由于灵巧的结构设计,在工作时不会形成沉淀,所以仪表的工作完全是“洁净”的。因此,即使是 为苛刻的要求,例如半导体集成电路和芯片的生产流程中使用的刻蚀剂,具有 强的耐蚀性,并如有 个 微小的颗粒落下,也会使芯片成为废品,这些迪格曼莎的产品都能满足。
迪格曼莎公司提供了高质量的产品,并且还有充分的灵活性,能根据个别用户的特殊要求而设计、生产某些特殊规格的产品。由于 的产品质量和周全的服务,从而在 范围内赢得了很好的声誉。例如,2000年在悉尼的奥林匹克运动会,在主运动场地区,整个饮料销售系统和它的数千个自动饮料销售机,所需的流量计都是由迪格曼莎提供的。类似的还有瑞士 都伯尔尼和巴塞尔体育场,以及 所有咖啡馆的咖啡机……,也都使用迪格曼莎的流量计。