来宝网Logo

热门词: 进口电动温度调节阀结构图|进口电动温度调节阀数据表进口电动高温调节阀-德国进口电动高温法兰调节阀进口电动蒸汽调节阀-德国进口电动蒸汽调节阀

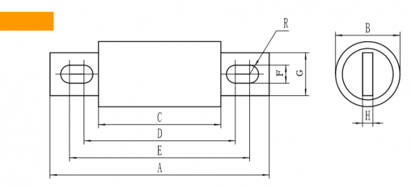
中熔RS309 - MM 圆管螺栓连接式快速熔断器

价  格:询价

产  地:北京更新时间:2024-12-27 13:27

品  牌:其他型  号:

状  态:正常点击量:2907

400-006-7520
联系我时,请说明是在上海非利加实业有限公司上看到的,谢谢!

上海非利加实业有限公司

联 系 人: 上海非利加实业有限公司

电   话: 400-006-7520

传   真: 400-006-7520

配送方式: 上海自提或三方快递

联系我时请说在上海非利加实业有限公司上看到的,谢谢!




产品参数


产品介绍

 中熔RS309 - MM 圆管螺栓连接式快速熔断器
 
 RS309 - MM 中熔型号如下:


运输、存储 运输  
运输过程中应避免雨雪侵袭和机械损伤。 存储温度   产品存储温度:-40℃~120℃。在40℃时相对湿度不大于90%,应避免中等以上凝露。  
包装存储温度:-40℃~70℃。相对湿度不大于90%,无凝露。
使用条件
正常使用条件及参数修正 熔断器在下述的正常使用条件下工作,不需要额外的修正。 超过正常使用条件时,如果在允许使用条件范围内,可能需要修正 些参数或咨询。如果超过允许使用 条件的范围,应咨询我公司,并进行条件的工作适应性评估和测试。 推荐长期通流的电流值不大于额定电流的80%。 周围空气温度 正常使用条件   -5℃~40℃。 允许使用条件   -40℃~120℃。
周围空气温度
变化的参数修正:在低于-5℃下工作,中熔熔断器的低倍过载过电流的弧前时间略有延长,额 定电流略有增大。但是除非-5℃以上不是工作范围, 般不考虑增加熔断器额定电流。 熔断器在40℃以上工作,额定电流需要额外的修正,修正系数为-Kt。

 
正常使用条件

海拔不超过2000m。 允许使用条件 不超过4500m。
海拔高度变化的参数修正:较高海拔主要带来 缘劣化,散热条件劣化,气压力变化。
a) 海拔每升高100米,熔断器的温升上升0.1-0.5k。
b) 海拔每升高100米,环境温度平均降低0.5k左右。
c) 般情况下,在开放环境使用的熔断器,可忽略海拔高度对额定电流的影响,仍然按照标准条件选用。
d) 在封闭环境使用的熔断器,如果其箱体的环境空气温度或箱体内部的温度并不随海拔升高而明显下降, 仍然可以达到40℃以上,则需要对额定电流降容。海拔每升高1000米,额定电流降容2%-5%。 注:同 尺寸系列中, 大额定电流采用较高的降容比例,较小的额定电流采用较低的降容比例。
海拔高度空气 缘强度(击穿强度)的影响
a) 海拔升高,则空气 缘强度下降。2000-4500米内,海拔每升高1000米, 缘强度降低12-15%。参见 GB/T16935.1,应对 缘间隙进行相应修正。
b) 熔断器端子间的 缘距离 般远大于GB/T16935.1,表A1,A2标准要求的 缘间隙,除个别体积较小 的熔断体外,无需校核 缘间隙。
c)熔断器带与其它带电结构间,以及对地的 缘间隙,需要由用户考虑海拔高度的影响 大气条件 正常工作条件 空气是干净的,它的相对湿度在 高温度为40℃时不超过50%。 在较低温度下可以有较高的相对湿度,例如,在20℃下,相对湿度可以达90%。 在这些条件下,由于温度的变化,中等的凝露可能偶然发生。 允许工作条件 无明显凝露情况下,相对湿度可达95%。 振动环境及耐受地震等灾害能力   本系列熔断器有良好的抗振动和冲击的耐受能力,符合GB2423.10-2008 4.1.2.6、QC/T 413-2002标准要求。 本系列熔断器抗振动和冲击的耐受能力,符合轨道交通II类应用环境。 本系列熔断器抗振动和冲击的耐受能力,适合道路车辆车身安装。
如您要采购中熔RS309 - MM,请联系中熔中***销售人员




猜你喜欢

关于我们客户服务产品分类法律声明