英洛德代理PI驱动型号2SC0108T2G0-17
SCALE™-2技术, 高集成度超紧凑,高质量8A门电流和2 x 1W输出功率
本产品有保形涂层
主要好处
无与伦比的紧凑性,广泛的适用性和高可靠性-组件比传统驱动器少85%。本产品有保形涂层。
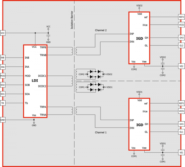
说明 2SC0108T是 种新型的SCALE-2双核驱动芯片,具有结构紧凑、可靠性高、适用范围广等优点。2SC0108T驱动所有常见的IGBT模块, 高可达600 A/1200 V或450 A/1700 V。嵌入式并联允许在更高的额定功率下进行简单的逆变器设计。还支持多 拓扑。
技术优势
2SC0108T是我们 紧凑的驱动核心,可用于工业应用,占地面积只有45 x 34.3毫米,外形为16毫米。与传统解决方案相比,SCALE-2芯片组将组件数量减少了80%,从而显著提高了可靠性并降低了成本。
2SC0108T结合了 个完整的双通道驱动核心和驱动所需的所有组件,如隔离的DC/DC转换器、短路保护以及电源电压监测。两个输出通道中的每 个都与 次侧和另 次通道电隔离。
每个通道提供8A和1W驱动功率的输出电流,使2SC0108T成为中小功率应用中普遍使用的合适选择。驱动器提供+15 V/-8 V的栅 电压摆动。无论输出功率水平如何,都可以调节开启电压以保持15 V的稳定。
卓越的EMC性能使即使在要求苛刻的工业应用中也能安全可靠地运行。
驱动并联IGBT
驱动器允许任意数量的IGBT模块与单个驱动器直接并联。这 新的、开创性的概念使得 次在不需要任何额外开发工作的情况下构建具有离散模块和并联igbt的串联变换器成为现实。
主要特点
SCALE™-2+芯片组
本产品有保形涂层
用于2毫米印刷电路板(2.54毫米;3.1毫米;5.84毫米)的新引脚长度
手焊、波峰焊和选择性焊接工艺用新别针
可提供RoHS版本:2SC0108T2F1-17、2SC0108T2G0-17、2SC0108T2H0-17
全部采用EMC改进的技术
***向下兼容
超紧凑解决方案
阻断电压高达1700V
开关频率高达50kHz
非常短的延迟时间<100ns
小抖动±2ns
门 电流±8A
+15V(调节)/-8V栅 驱动
3.3V…15V逻辑电平接口
直桥和半桥模式
嵌入式并行能力
二 和多 拓扑
IGBT短路保护
隔离DC/DC变换器
2 x 1W输出功率
电源欠压锁定
安全隔离符合EN50178
UL认可组件
卓越的EMC
可靠,使用寿命长
占地面积:45mm x 34.3mm
电气和机械性能无变化
规格书下载:

2SC0108T2G0-17.pdf