来宝网Logo

热门词: 进口电动温度调节阀结构图|进口电动温度调节阀数据表进口电动高温调节阀-德国进口电动高温法兰调节阀进口电动蒸汽调节阀-德国进口电动蒸汽调节阀

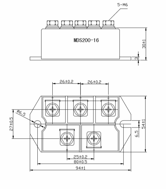
四菱MDS200-16

价  格:询价

产  地:北京更新时间:2024-12-20 16:06

品  牌:其他型  号:

状  态:正常点击量:1410

400-006-7520
联系我时,请说明是在上海非利加实业有限公司上看到的,谢谢!

上海非利加实业有限公司

联 系 人: 上海非利加实业有限公司

电   话: 400-006-7520

传   真: 400-006-7520

配送方式: 上海自提或三方快递

联系我时请说在上海非利加实业有限公司上看到的,谢谢!




产品参数


产品介绍

四菱MDS200相关型号有:MDS200-08,MDS200-12,MDS200-16,MDS200-18,MDS200-24
特性
1.金属化三氧化二铝 缘陶瓷,传热性强
2.高温焊料焊接,可靠性更好
应用:
变频器,焊机,电源
四菱MDS200参数表

MDS200尺寸图




相关产品分类


关于我们客户服务产品分类法律声明