亚德客AirTAC GV系列慢启阀
airtac品牌介绍
广亚凭借得天独厚的地域人才优势,注重对科技人才的招募和培养,现已拥有 批集产品设计、开发于 身的科研队伍。广亚从 各***引进 进的机械设备和生产技术,以此提升生产工艺。广亚 后增建数条电磁阀流水线,通过流水线的严格控管,为每件出厂的成品提供品质保证。随着技术水平和生产效率的不断提升,广亚年产总值年年屡创新高,有力地彰显出广亚强劲的发展势头。
AIRTAC台湾亚德客工业股份(简称台亚)成立于1988年11月,1990年更名为台亚。早期的台亚主要生产电磁阀,此后陆续研发生产气缸、气源处理等产品。目前,台亚产品以特殊规格气缸为主,拥有七大类十余系列数百个品种,年产量达到20万件套,主要供应台湾本地市场,满足客户需求及时效性。
AIRTAC以拓展集团生产和服务为未来发展的战略目标,坚持走人本优 、改革创新和集团化道路。秉承“人本、共享、发展、责任”的企业核心价值观,亚德客始终如 地贯彻“以客为尊”的经营理念,始终如 地坚持“以技术创新为核心,以市场需求为导向”的经营方针,藉以不断完善“建立共好、责任承担、赏罚分明、学习成长”的集团文化,努力奋斗,自强不息,长久致力于 工业自动化的持续发展。
从成立至今,台湾亚德客AIRTAC中***公司设立了32***销售分公司和30余***办事处,以此确保公司的供货能力和供货速度符合客户需求。目前,健良(上海)拥有 支反应迅速、纪律严明、技术精湛、责任明确、服务周全的专业营销队伍,拥有近两万余***稳定客户,并与大陆地区150余***信誉良好的经销商和代理商保持良好合作关系。
2005年,亚德客企业集团耗资新台币 亿六仟万元,在台北县土城工业区内购置4800平方米土地,兴建了 栋现代化科技厂办大楼及成品自动仓储。日新月异的台亚将凭借着 进的设备、完善的技术、科学的管理竭诚向广大新老客户提供高质量、高品质的产品与服务。
airtac产品特点
产品特性
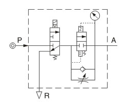
慢启阀用于在气动系统中安全地建立压力,起安全保护作用。进气与慢启阀的输入P相连,若线圈通电时,三口二位阀打开,此时有少量的空气通过节流阀到输出A,使系统的压力缓慢地建立起来;当输出压力等于输入压力 半时,慢启阀完全开启,此时流量达到本身 高。当线圈断电时,进气P关闭,空气便通过单向阀返回到R口快速排走,系统压力降到零,对整个系统起到安全保护作用。
产品规格

安装与使用
应根据启动速度要求,用手动方式调节慢启阀底部“+”、“-”处速度调节螺丝,只可缓慢调节,用力过大可能造成慢启阀或系统的突然作动。

订购码
功能符号
airtac型号大全
台湾AIRTAC亚德客 TN32*10-S
台湾AIRTAC亚德客 MF32*350-S-CA
台湾AIRTAC亚德客 4A220-06-4A230C-06
台湾AIRTAC亚德客 SI200*450-S
台湾AIRTAC亚德客 SU80*80-S
台湾AIRTAC亚德客 2P025-08
台湾AIRTAC亚德客 MI25*60-S-CA
台湾AIRTAC亚德客 SDA50*15-B -N
台湾AIRTAC亚德客 SI125*250-S
台湾AIRTAC亚德客 SU125*50-S
台湾AIRTAC亚德客 MF25*80-S-U
台湾AIRTAC亚德客 MF40*80-S-CA
台湾AIRTAC亚德客 ACQS16*35-B -N
台湾AIRTAC亚德客 MI16*30-S-CA
台湾AIRTAC亚德客 PB12*160-S-U
台湾AIRTAC亚德客 SU63*400-S
台湾AIRTAC亚德客 SI200*700-S
台湾AIRTAC亚德客 ACQ25*25-B -N
台湾AIRTAC亚德客 SDAS50*40-B -N
台湾AIRTAC亚德客 PTB
亚德客AirTAC GV系列慢启阀