不锈钢振动筛简介:
不锈钢振动筛是 种高精度细粉筛分机械,无论物料是干是湿,是精细是粗糙,是比重大是比重轻,0-400目都可以筛选,不管是液态的,还是浆状的0-600目都可以过滤. 在食品、医药行业中应用广泛,食品、医药行业对卫生安全的管理要求严格,如振动筛分设备在食品、医药行业中要求整机为304或316不锈钢材质,与物料接触部分不允许有杂质污染,振动筛密封件配备食品 卫生标准(硅胶),大汉机械公司有多年的不锈钢振动筛制造经验,不锈钢振动筛型号有直径400mm、600mm、800mm、1000mm、1200mm、1500mm、1800mm,也可以为您特殊订做。大汉"振动筛系列产品同时配备专门的筛网清理装置,把堵网率降到***低,过网率和处理精度得以有效提高."大汉"具备特殊型号制造的能力让顾客对"大汉"有更多的选择. 欢迎来电咨询、来厂参观。
不锈钢振动筛应用实例:
不锈钢振动筛工作原理:
由直立式电机作激振源,电机上、下两端安装有偏心重锤,将电机的旋转运动转变为水平、垂直、倾斜的三次元运动,再把这个运动传递给筛面。调节上、下两端的相位角,可以改变物料在筛面上的运动轨迹,由于其振动运转原理很多企业也称之为“三次元振动筛分过滤机”,根据外形结构被部分客户称呼为不锈钢圆形筛。

不锈钢振动筛特点:

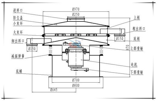
不锈钢振动筛结构及技术参数:


不锈钢振动筛应用行业:
化工行业:树脂、涂料、工业药品、化妆品、油漆、中药粉等。
食品行业:糖粉、淀粉、食盐、米粉、奶粉、豆浆、蛋粉、酱油、果汁等。
金属、冶金矿业:铝粉、铅粉、铜粉、矿石、合金粉、焊条粉末、二氧化锰、电解铜粉、电磁性材料、研磨粉、耐火材料、高岭土、石灰、氧化铝、重质碳酸钙、石英砂等。
公害处理:废油、废水、染整废水、助剂、活性碳等
旋振筛网架结构的特点:
1、节省时间(3-5分钟筛网更换方便)。
2、节省人力、换网***多只用两人。
3、增加生产线的流畅性。
4、增加筛网寿命,弹跳球不直接撞击筛网。
5、筛网使用寿命长。
不锈钢振动筛生产厂***大汉振动机械售后承诺:
1、保修期内非因操作不当造成需要更换的零配件及设备由我厂负责包修、包换。
2、质量保证期结束后,我厂将继续免费提供售后服务,不限年份终身服务,仅收取零部件成本费