来宝网Logo

热门词: 进口电动温度调节阀结构图|进口电动温度调节阀数据表进口电动高温调节阀-德国进口电动高温法兰调节阀进口电动蒸汽调节阀-德国进口电动蒸汽调节阀

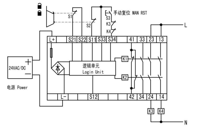
安全继电器

价  格:询价

产  地:山东 济宁市更新时间:2024-11-27 11:08

品  牌:其他型  号:

状  态:正常点击量:1661

400-006-7520
联系我时,请说明是在上海非利加实业有限公司上看到的,谢谢!

上海非利加实业有限公司

联 系 人: 上海非利加实业有限公司

电   话: 400-006-7520

传   真: 400-006-7520

配送方式: 上海自提或三方快递

联系我时请说在上海非利加实业有限公司上看到的,谢谢!




产品参数


产品介绍

 用于监控急停开关、安全门开关、双路PNP输出型安全光幕。

特点:

1、可检测输入触点的短路故障;

2、可选择受控手动复位和自动复位;

3、具有自我监控的电路;

4、工作状态实时监测;

5、多种型号可供选择。  

PL e;安全类别:Cat.4; SIL 3。

技术参数:

 

型号 SR4P3A1B24
复位模式 手动或自动
工作电源 DC/AC24V
功耗 3W
输出触点 3N/O,1N/C
切换容量 AC-15,5A/250V; DC-13,6A/24V
释放缓冲时间 <15ms
诊断覆盖率 >99%
平均无危险故障时间 111a
平均每小时危险失效率 2.5×10-8
防护等 IP50
工作温度   -10 ~+55℃
储存温度   -40 ~+85℃
导线截面积 大Max. 2.5mm2
线缆长度 长Max. 100m
尺寸 96(L)×22.5(W)×116(H)mm
符合标准 EN 60947-5-1, EN 61000-6-2, EN 61000-6-3,IEC/EN 60204-1, EN ISO 13849-1

接线图: