进口不锈钢气动三通球阀
德***莱克阀门中***总代理-germany lik valves international
产品简介:
进口不锈钢气动三通球阀是以不锈钢材质整体精铸阀体,聚四氟乙烯为密封材料的高质量球阀,螺纹标准可按:G.NPT.BSPT.BSP.DIN259/2999等***际标准生产,阀体结构分为L型和T型。L型三通球阀适用于介质流向的切换,能使相互垂直的两个通道连通;T型三通球阀适用于介质的分流、合流或流向切换,T型孔道可以使三个通道互相连通或使其中两个通道连通,内螺纹三通球阀 般采用两个阀座结构,亦可根据用户要求采用四阀座结构。本产品密封性能好,适用于水、油、气及某些腐蚀性液体等介质。
进口不锈钢气动三通球阀特点
1.气动内螺纹三通球阀有两座和四座密封结构,阀芯孔道有L型和T型两种结构形式,采用控制阀芯旋转角度,改变阀芯孔道与管道口的连接状态,可实现对三条支管不同的组合控制。气动三通内螺纹球阀流通能力大,可控制气体、液体、蒸汽,更适用于控制高粘度,纤维颗粒状的流体。也适用于密封要求较严格的场合。
2.两阀座密封三通球阀具有结构紧凑、外形美观、密封性能好,它能实现对管道中介质流向的切换。也能使相互垂直的两个通道连通或关闭。
3.四阀座密封三通球阀具有造型美观、结构紧凑合理,它不仅可实现介质流向的切换,也可使三个通道相互连通,同时可关闭任意 个通道,使另外两个通道连通,灵活控制管路是介质的合流或分流。
4.T型阀芯孔道可使三条正交的管道互相连通或切换,起分流或合流作用;L型孔道连接相互正交的两管道。使另 条孔道切断,起改变介质流向作用。
规格说明
■工作压力:1000WOG
■温度范围:-40-200℃
进口不锈钢气动三通球阀参数
|
气动执行器
|
双作用、单作用
|
|
驱动气源
|
5-7bar压缩空气
|
|
气动附件
|
限位开关、定位器、电磁阀
过滤减压阀、手轮机构
|
|
公称通径
|
DN15-100mm
|
|
公称压力
|
1.6-6.3MPa
|
|
适用温度
|
PTFE:-30~+180℃
PPL:-30~+250℃
|
|
连接方式
|
螺纹式
|
|
阀体结构
|
三通L型、三通T型
|
|
阀体材质
|
304、316、316L
|
|
阀板材质
|
304、316、316L
|
|
阀座衬里
|
PTFE、PPL
|
|
适用介质
|
蒸汽、水液,气体等
|
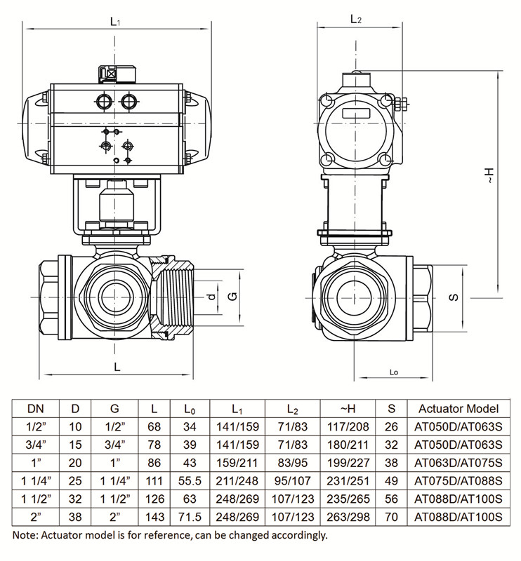
进口不锈钢气动三通球阀结构尺寸
