进口气动三通内螺纹球阀
德***莱克阀门中***总代理-germany lik valves international
简介:
德***莱克LIK品牌:进口气动三通球阀采用新型气动执行器,有双作用式和单作用式(弹簧复位),齿轮齿条传动,安全可靠;用于介质分流、合流及流向切换,任何 个管道都可以作为入口或出口。德***莱克三通球阀分有L型和T型,可以满足不同的生产工艺要求。可以根据需要,任何 个管道都可以作为入口或出口。L型阀是对三条管道中的两条管道进行切除,T型阀实现把三条连通管道进行合流与分流。
进口气动三通内螺纹球阀标准规范
阀门螺纹类型:G·NPT·BSPT DIN259/2999
阀门检 验:ISO/DIN 5208—1987
驱动装置连接:ISO 5211
参数:
公称压力:PN1.6、2.5、4.0、6.4Mpa、1000WOG
连接方式:螺纹(L型、T型)
阀体材质:铸钢(WCB)、不锈钢CF8(304)、CF8M(316)
阀球材质:不锈钢CF8(304)、CF8M(316)
密封材料:PTFE、PPL
适用温度范围:-20℃~232℃~350℃
适用介质:水、油、气等某些腐蚀性液体(W·O·G)
主要零件材质表

|
序号
|
零件名称
|
材质
|
|
1
|
接头
|
不锈钢 CF8、CF8M
|
|
2
|
阀座
|
PTFE
|
|
3
|
球体
|
不锈钢 304、316
|
|
4
|
垫片
|
PTFE
|
|
5
|
阀体
|
不锈钢 CF8、CF8M
|
|
6
|
螺栓
|
不锈钢 304
|
|
7
|
阀杆
|
不锈钢 304、316
|
|
8
|
垫片
|
PTFE
|
|
9
|
填料
|
PTFE
|
|
10
|
压盖
|
不锈钢 304、316
|
|
11
|
连接支架
|
不锈钢 CF8
|
|
12
|
连接套
|
不锈钢 304
|
|
13
|
螺栓
|
不锈钢 304
|
|
14
|
气动装置
|
|
*: 系列球阀主要零部件及密封圈的材质可根据实际工况条件用户。
进口气动三通内螺纹球阀详细介绍:
★气动执行器表面经阳 氧化处理,齿轮齿条结构,
★有开关两个位置+/-5°行程调节
★NAMUR标准气源接口,可与电磁阀直接连接
★三通球阀任 通口均可用作入口而无泄露,并可根据工况需要制成L型或T型通道,使安装更加方便
★三通球阀分为L型和T型,L型适用于介质的流向切换,能使相互垂直的两个通道联通,T型适用于介质的分流,合流或流向切换。
★双层阀杆填料符合德***TüV TA-LUFT的阀杆泄露测试要求
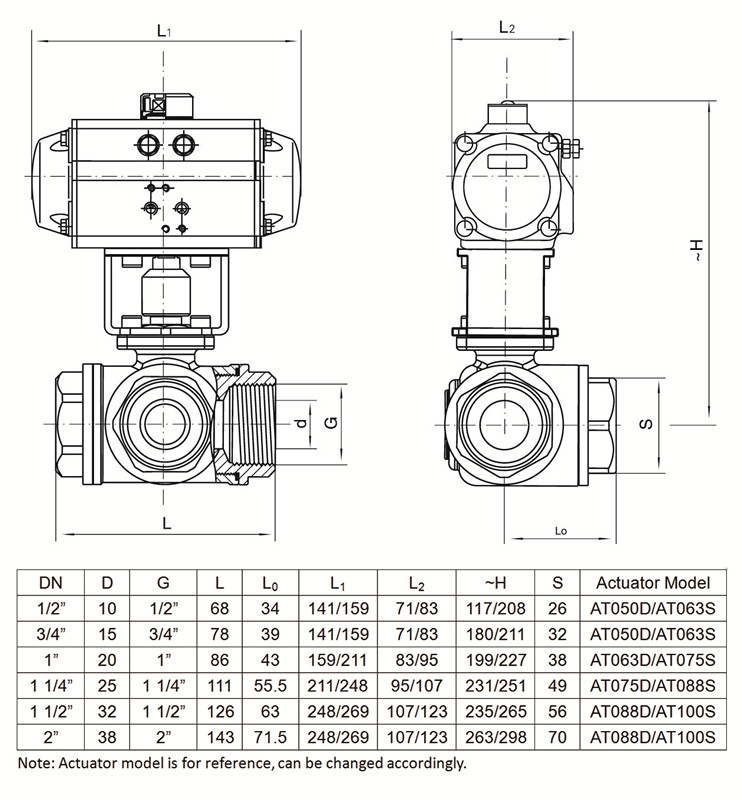
进口气动三通内螺纹球阀结构图和结构尺寸
