热门词: 进口电动温度调节阀结构图|进口电动温度调节阀数据表进口电动高温调节阀-德国进口电动高温法兰调节阀进口电动蒸汽调节阀-德国进口电动蒸汽调节阀
首页 产品分类 实验室常用设备实验室服务实验耗材配件实验室安全防护 资讯关于我们
现在位置:首页>>>
价 格:询价
产 地:上海更新时间:2024-11-18 14:47
品 牌:其他型 号:
状 态:正常点击量:1413
联 系 人: 上海非利加实业有限公司
电 话: 400-006-7520
传 真: 400-006-7520
配送方式: 上海自提或三方快递
联系我时请说在上海非利加实业有限公司上看到的,谢谢!
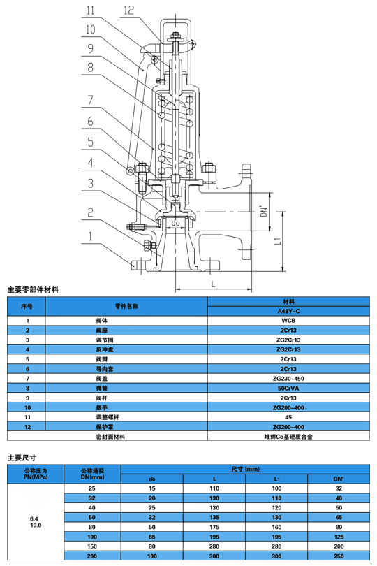
A48Y-64/100全启式高压安全阀适用于工作温度≤350℃的空气、石油气等介质的设备和管路上,作为超压保护装置。当设备和管路内压力超过允许值时,安全阀自动开启,继而全量排放;当压力降至到规定值时,安全阀自动关闭,保证设备和管路的正常运行。
隋唐洛阳城国家遗址公园(天堂明堂)景区(不含古币)
输送机,生产流水线,皮带输送机,磁性材料卡
厂家直销 SMT上板机 专业贴片机上板机 PCB上板机
艾默生精密空调西安咸阳销售公司-艾默生DME12MCP1报价
DENSO AT20Q条码阅读器