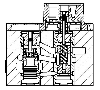
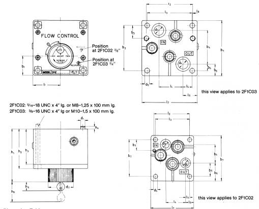
DENISON丹尼逊2F1C系列流量控制阀
美***丹尼逊DENISON详细说明




美***丹尼逊DENISON型号大全
T6C-012-1R00-C1
021-80383-0 P6T3L1BC20B0
P7W-1L1A-L10-C0
P8W-2R1A-E4P-00
023-81443-0 P6S5R1C9A2B000M0
P7W-1R1B-T00-C0
023-81548-0 P14P3R1C9A2B01X00
P6W-2L1A-L10-00
P8W-1R1A-C10-00
023-81460-0 M14H2N1A9A5A10
T6DCM-B24-B05-3R00-C1
DGMPC-3-ABK-BAK-41
T6E-052-1R00-C1
PV20-2R5D-J00
DENISON丹尼逊柱塞泵 杯系列
PV20-2R5D-L02
P8W-131.1 ml/rev350bar
M4SD 055 3N00 A502
P6W-2L1B-C10-00
PVT292L1DC03C00 029-80842-0
PVT292R1DF03S00 029-80828-0
PVT15-1L1D-C03-000
PVT292R1DJ04AA0 029-81013-0
PV6-2R1D-C02-000
T6CCM-B28-B05-5R00-D1-00
023-81380-5 M14H3N5A9A0B10
023-81515-0 P6P2R1C8C2B00
P8W-2R1A-L10-00
PV6-1R1D-C02-000
T6D-050-2R00-C1
美***丹尼逊DENISON品牌介绍
美***丹尼逊Denison公司,DENISON丹尼逊成立于1930年在美***俄亥俄州,凭借优质的液压产品和 的技术逐步在液压行业里建立起了他的名誉和品牌,DENISON丹尼逊早期的产品主要应用于美***海军与***防方面。***的DENISON丹尼逊液压产品已经发展成 个强大的跨***公司,在 6大洲二十八个******中设立了分公司,销售网络遍布 超过130个******。其生产的产品有:、叶片泵,轴向柱塞泵、轴向柱塞马达、叶片马达、径向柱塞式液压马达等。丹尼逊是 的多元化工业产品制造商,在 的工业领域享有技术 进、质量可靠的声誉,产品广泛应用于汽车、卡车、重型设备、民航、***防军事、居住、电讯和数据传输、工业设备和公共设施、商业机构和政府机关、以及运动和娱乐的各个领域。
DENISON丹尼逊2F1C系列流量控制阀